Μια διεθνής ομάδα επιστημόνων ανακάλυψε στη Νότια Αφρική απολιθώματα που χρονολογούνται προ 2,4 δισεκατομμυρίων ετών και τα οποία μοιάζουν πολύ με μύκητες.

Αν αυτό όντως ισχύει, τότε είναι περίπου δύο δισεκατομμύρια χρόνια παλαιότεροι από οποιονδήποτε μύκητα είχε βρεθεί έως τώρα και κατά 1,2 δισ. έτη αρχαιότεροι από την εποχή που οι επιστήμονες πίστευαν έως τώρα ότι πρωτοεμφανίσθηκαν οι μύκητες.

Η ανακάλυψη -εφόσον επιβεβαιωθεί- μπορεί να έχει φέρει στο φως τους αρχαιότερους πολυκύτταρους οργανισμούς μέχρι σήμερα. Τα αρχαιότερα απολιθώματα ευκαρυωτικών οργανισμών -οι οποίοι εξελίχθηκαν μετά τα βακτήρια- που έχουν βρεθεί έως σήμερα (Grypania spiralis), είναι ηλικίας περίπου 1,9 δισεκατομμυρίων ετών. Άρα, τα νέα απολιθώματα είναι παλαιότερα κατά 500 εκατ. χρόνια.

Οι μύκητες -που αποτελούν ξεχωριστό «βασίλειο» από τα φυτά και τα ζώα- είναι ευκαρυωτικοί οργανισμοί, δηλαδή έχουν πυρήνα και πολύπλοκη λοιπή κυτταρική δομή, ενώ χρειάζονται οξυγόνο.

Συμπτωματικά, οι επιστήμονες εκτιμούν ότι το οξυγόνο άρχισε να αυξάνεται στην ατμόσφαιρα του πλανήτη μας περίπου την ίδια εποχή, πριν από 2,4 δισεκατομμύρια χρόνια (το λεγόμενο «Μεγάλο Οξειδωτικό Συμβάν»).

Άλλοι όμως επιστήμονες εμφανίζονται επιφυλακτικοί κατά πόσο είναι δυνατό να είχαν εξελιχθεί μύκητες τόσο νωρίς στην ιστορία της Γης, που έχει ηλικία 4,6 δισ. ετών.

Οι ερευνητές, με επικεφαλής τον καθηγητή παλαιοβιολογίας Στέφαν Μπένγκστον του Σουηδικού Μουσείου Φυσικής Ιστορίας, έκαναν τη σχετική δημοσίευση στο περιοδικό «Nature Ecology & Evolution».
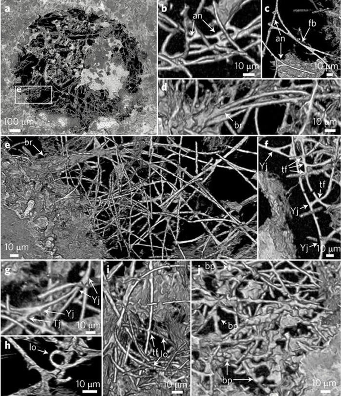
Η ανακάλυψη έγινε μέσα σε μικροσκοπικά κοιλώματα που υπήρχαν σε ηφαιστειακά πετρώματα από αρχαία υποθαλάσσια λάβα, σε βάθος 800 μέτρων. Οι επιστήμονες δεν αποκλείουν ότι τα απολιθώματα προέρχονται από άλλους ευκαρυωτικούς οργανισμούς και όχι από μύκητες, αν και η ομοιότητα με τους τελευταίους είναι μεγάλη. Οι απολιθωμένοι οργανισμοί έχουν διάμετρο 0,002 έως 0,012 χιλιοστών και είναι λεπτότεροι από μια ανθρώπινη τρίχα.

σχόλια αναγνωστών
oδηγός χρήσης